Каталог товаров

Электропривод RVE(H) для шаровых кранов BV3

СДЕЛАНО В РОВЕН
ТОВАР СЕРТИФИЦИРОВАН
Описание товара
Характеристики моделей
Купить

Электроприводы применяются в системах отопления, вентиляции и кондиционирования воздуха для управления и позиционирования шаровых кранов различных размеров. Класс защиты IP54.
Электроприводы могут эксплуатироваться при температуре от -30 до +50 °С. 

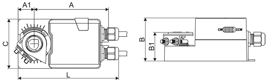
Габаритные размеры электроприводов

RVE(H) чертеж.jpg

Модель

A

А1

B

В1

C

L

Размер вала (оси), мм

Масса, кг

RVE02-24P(H)

RVE05-24P(H)

106,5

23,1

62,1

42

71,1

144,1

□6...16 / 5х5...12х12

<0,8

Технические характеристики электроприводов

Модель

Номинальное напряжение, В

Крутящий

момент, Н·м

Условный диаметр

Потребляемая мощность,

при вращении/

в состоянии покоя, Вт

Рабочая температура, °С

Время срабатывания, с

Управление

RVE02-24P(H)

24

2

DN15(½“)

DN20(¾“)

3,0/1,0

-30...+50

<40

Плавная регулировка

сигналом 0(2)…10В/

0(4)-20мА

RVE05-24P(H)

5

DN15(½“)

DN20(¾“)

DN25(1“)

DN32(1¼“)

<60

Электрическая схема подключения

RVE(H) элсхема.jpg

Не представленные в наличии модели доступны к поставке под заказ

Оповестить о поступлении

Спасибо за обращение!
Наш менеджер свяжется с вами.

Всю необходимую информацию также можно получить по телефону «горячей линии»

+ 7 800 200 93 96

или по телефону

+7 800 505 08 67 получить консультацию